| cavallino
| Inviato il: 17/06/2016 18:02:33
|
Ciao a tutti
Pensavo che questo progetto vi poteva interessare,ma a quando vedo non c'è nessuno dialogo in merito.
In ogni caso sono sempre a disposizione.
--------------- Ciao a tutti
| | | | cavallino
| Inviato il: 22/06/2016 19:00:29
|
Vedo che siete in tanti a visitare tale progetto, (Siamo a quota 3063 visite) ma non noto nessuno dialogo in merito.In ogni caso se volete più chiarimenti in merito, sono sempre a vostra disposizione
Ciao a tutti.
--------------- Ciao a tutti
| | | | master digit
| Inviato il: 30/06/2016 23:03:24
|
CITAZIONE (cavallino, 22/06/2016 19:00:29 ) 
Vedo che siete in tanti a visitare tale progetto, (Siamo a quota 3063 visite) ma non noto nessuno dialogo in merito.In ogni caso se volete più chiarimenti in merito, sono sempre a vostra disposizione
Ciao a tutti.
Salve cavallino,
ho letto tutta la discussione e sono un pò sorpreso per alcuni post di risposta che hai avuto.
Il circuito può essere considerato didattico e molto semplice per far capire le basi di un inverter.
Dico didattico perchè, pilotando i Gate dei mosfet con una sinusoide, al contrario di quanto qualcuno ha scritto, non sfrutti pienamente la potenza del mosfet e spiego di seguito il perchè:
quando la tensione di pilotaggio del Gate mosfet sale da 0V al suo massimo in modo sinusoidale, passa inevitabilmente per un certo tempo nella zona in cui il mosfet conduce linearmente, nel caso specifico del mosfet IRFP150 da 0V a 6,5V circa (grafico sotto):

Passata questa soglia il mosfet entra in conduzione quasi totalmente piena (ON). La percentuale di piena conduzione è proporzionale alla corrente che scorre tra DRAIN e SOURGE e la tensione tra GATE e SOURGE (più la corrente D-S è alta, più la tensione G-S deve essere alta per far rimanere il mosfet in piena conduzione).
Questa zona di trigger è quella visibile nel grafico sotto:

Per questo motivo il tuo circuito didattico funziona ma in modo non ottimale e, per calcolo, non potrà mai rendere come un circuito pilotato in ON/OFF per il semplice fatto che nel tempo di conduzione in zona lineare (primo grafico da 0V a 6,5V) si disperde energia in calore.
Questa può essere anche facilmente calcolata in quanto il pilotaggio è una sinusoide ed il fattore di perdita è il tempo in cui la sinusoide si trova tra i 0V e i 6,5V.
Il motivo per il quale il circuito da te proposto porta ad ottenere in uscita un forma d'onda quadra modificata simil trapezzoidale è perchè nel tempo 1 la sinusoide di ingresso va da 0 a 6,5V fa ottenere in uscita con piccoli carichi quasi la rampa di salita della sinusoide in ingresso.
Da 6,5V alla tensione dello zener e ritornando a 6,5V tempo 2, il mosfet si porta in conduzione totale creando il fronte di salita dell'onda quadra con una durata dipendente dal tempo di commutazione del mosfet.
Da 6,5V a 0V tempo 3, il mosfet si porta in fase lineare facendo ottenere in uscita con piccoli carichi quasi la rampa di discesa della sinusoide in ingresso.
Per la sinusoide negativa interviene allo stesso modo il secondo mosfet, ma essendoci 2 fasi lineari di incrocio (da +6,5V a 0V a -6,5V) si crea un tempo di distacco tra la quadra positiva e quella negativa e uno azzeramento dei picchi sui transienti in quanto non immediati ma passanti per una fase lineare.
Per lo smussamento finale ci pensa poi il filtro LC composta dall'induttanza del trasformatore e la capacità messa sull'uscita.
Il tutto sarebbe perfetto e nella realtà si usa questa cosa proprio per evitare spurie su transienti troppo ripidi invece di disperdere potenza con degli shunt rapidi (qualche genio a suo tempo usava delle valvole...vabbe! beata ignoranza), il problema è che questa fase lineare usando la sinusoide da 50Hz è troppo lunga, invece con degli appositi driver di pilotaggio e dei filtri RC+Diodo tarati adeguatamente in base al mosfet utilizzato, si possono settare sia il tempo giusto compromesso della fase lineare di switch, sia il distacco di tempo tra gli ON dei due Mosfet.
Anche se il tuo circuito è puramente didattico, proporzionato adeguatamente può fornire una buona potenza senza troppi surriscaldamenti, ma alla fine non potrà mai avere un rendimento ottimale come un circuito studiato appositamente per un certo tipo di mosfet e per ottenere un tipo ben definito di onda in uscita (e quindi retroazionato) e sopratutto non potrà mai essere considerato sinusoidale in quanto la forma d'onda in uscita avrà una distorsione tale rispetto alla sinusoide pura da non poter in nessun modo essere considerato sinusoidale.
Master Digit
--------------- Sono sempre disponibile...quando ci sono!
| | | | cavallino
| Inviato il: 02/07/2016 11:18:52
|
Ciao master digit
Nella pagina iniziale avevo postato lo schema elettrico per come fare un inverter con pochi componi a scopo didattico e informativo,ha ciò per come hai letto ho subito un sacco di opposizione verso i miei confronti.
In ogni caso posso capire dato la sua semplicità dello schema e pure funzionante,tutti i colleghi del forum hanno dato le sue risposte tutte teoriche ma nessuno di loro ha provato a testare tale circuito sulla pratica.
Adesso mi domando il forum non è altro che una collaborazione di tutti i partecipante di tale forum,per condividere le varie idee e possibilmente migliorare un circuito in allegra collaborazione,senza fare pretese di essere o sentirsi più superiore di colui che ha messo in evidenza tale circuito o tale idea.In parole poveri il forum serve per approfondire tale idea se e fattibile oppure no.
Detto questo ho capito in base ha ciò che ho letto in tutte le varie discussione di questo forum,che serve solo per criticare perché' ci sono i sapientoni,e non valutano le idee delle persone che mettono in evidenza.
In ogni caso lo schema vero e proprio non e quello messo nella prima pagina,e un schema funzionante al 100 x 100 con tutte le varie requisiti e controlli varie,in modo da avere una tensione in uscita costante sia a basso amperaggi si pure ad alto amperaggio ,si parla di una assorbimento di 160 ampere con una alimentazione di 21 fino a 29 volt.
Sempre modificabile sia con una alimentazione di 12 volt oppure a 48 volt.
Detto ciò adesso ti rispondo a ciò che hai citato sopra.
Come ben sai il mosfet RFP 150 e stato da me scelto perché e un ottimo finale e anche perché ha una tensione di lavoro da 100 volt, più che sufficiente per una tensione di 29 volt + 29= 56 volt di lavoro,ma volendo si possono usare altri finali.
A prove fatti ho potuto costare che il gate del mosfet incomincia a condure quando la tensione arriva a 3,9 volt e non corrisponde per come riporta la grafica tecnica ,in ogni caso in certi casi hai ragione per come hai citato sopra.
Tale inverte e stato costruito da più persone e fino adesso che io sappia non si e lamentato nessuno,anzi le hanno dato il soprannome come mulo per la sua robustezza,e soprattutto si porta tutto il far bisogno domestico per una potenza di 4 kwatt continuati
Il segnale che esce non è ne onda quadra ne onda sinusoidale modifica e neppure onda sinusoidale pura,io le ho messo il nome di onda semi sinusoidale dato che il progetto e mio lo possa chiamare come mi pare,e qualcuno questo non la digerisce,perché’ dicono che non esiste.
Da tenere presente che questo e stato un piccolo sfogo ,avevo pensato di non partecipare più su questo forum,ho visto la citazione tua pure per caso,per tale motivo ti sto rispondendo perché hai detto e citato cose veritevole e senza nessuna presunzione,anzi abbastanza significate,questo vuol dire portare avanti una discussione di un forum in allegra collaborazione.
--------------- Ciao a tutti
| | | | master digit
| Inviato il: 05/07/2016 13:34:32
|
CITAZIONE (cavallino, 02/07/2016 11:18:52 ) 
Ciao master digit
Nella pagina iniziale avevo postato lo schema elettrico per come fare un inverter con pochi componi a scopo didattico e informativo,ha ciò per come hai letto ho subito un sacco di opposizione verso i miei confronti.
In ogni caso posso capire dato la sua semplicità dello schema e pure funzionante,tutti i colleghi del forum hanno dato le sue risposte tutte teoriche ma nessuno di loro ha provato a testare tale circuito sulla pratica.
Adesso mi domando il forum non è altro che una collaborazione di tutti i partecipante di tale forum,per condividere le varie idee e possibilmente migliorare un circuito in allegra collaborazione,senza fare pretese di essere o sentirsi più superiore di colui che ha messo in evidenza tale circuito o tale idea.In parole poveri il forum serve per approfondire tale idea se e fattibile oppure no.
Detto questo ho capito in base ha ciò che ho letto in tutte le varie discussione di questo forum,che serve solo per criticare perché' ci sono i sapientoni ,e non valutano le idee delle persone che mettono in evidenza.
In ogni caso lo schema vero e proprio non e quello messo nella prima pagina,e un schema funzionante al 100 x 100 con tutte le varie requisiti e controlli varie,in modo da avere una tensione in uscita costante sia a basso amperaggi si pure ad alto amperaggio ,si parla di una assorbimento di 160 ampere con una alimentazione di 21 fino a 29 volt.
Sempre modificabile sia con una alimentazione di 12 volt oppure a 48 volt.
Detto ciò adesso ti rispondo a ciò che hai citato sopra.
Come ben sai il mosfet RFP 150 e stato da me scelto perché e un ottimo finale e anche perché ha una tensione di lavoro da 100 volt, più che sufficiente per una tensione di 29 volt + 29= 56 volt di lavoro,ma volendo si possono usare altri finali.
A prove fatti ho potuto costare che il gate del mosfet incomincia a condure quando la tensione arriva a 3,9 volt e non corrisponde per come riporta la grafica tecnica ,in ogni caso in certi casi hai ragione per come hai citato sopra.
Tale inverte e stato costruito da più persone e fino adesso che io sappia non si e lamentato nessuno,anzi le hanno dato il soprannome come mulo per la sua robustezza,e soprattutto si porta tutto il far bisogno domestico per una potenza di 4 kwatt continuati
Il segnale che esce non è ne onda quadra ne onda sinusoidale modifica e neppure onda sinusoidale pura,io le ho messo il nome di onda semi sinusoidale dato che il progetto e mio lo possa chiamare come mi pare,e qualcuno questo non la digerisce,perché’ dicono che non esiste.
Da tenere presente che questo e stato un piccolo sfogo ,avevo pensato di non partecipare più su questo forum,ho visto la citazione tua pure per caso,per tale motivo ti sto rispondendo perché hai detto e citato cose veritevole e senza nessuna presunzione,anzi abbastanza significate,questo vuol dire portare avanti una discussione di un forum in allegra collaborazione.
Salve cavallino,
il forum come tu giustamente hai detto serve per esporre un idea, accetterne le critiche se costruttive, cercare di rispondere ad affermazioni errate nel modo più pacato possibile, anche ironizzando per sdrammatizzare ma senza mai offendere, per poi arrivare ad un risultato che può essere un ottimo progetto oppure risultare solo didattico in quanto magari con la spesa da sostenere per la realizzazione si prende un qualcosa migliore a minor prezzo già fatto!
CITAZIONE
A prove fatti ho potuto costare che il gate del mosfet incomincia a condure quando la tensione arriva a 3,9 volt e non corrisponde per come riporta la grafica tecnica ,in ogni caso in certi casi hai ragione per come hai citato sopra.
Questo perchè il Gate Charge illustrato nel grafico riportato nel datasheet del IRFP150 è un test effettuato con una corrente di Drain da 41A come scritto in alto a sinistra del grafico e con 3 tensioni differenti tra Drain e Sourge, che come puoi vedere portano differenze solo nella fase ON del mosfet.
Nel tuo caso quindi il mosfet IRFP150 inizia a condurre a 3,9V perchè la corrente di Drain è inferiore a 41A!
CITAZIONE
Il segnale che esce non è ne onda quadra ne onda sinusoidale modifica e neppure onda sinusoidale pura.
Il segnale che esce è un onda quadra (per ovvi motivi che se vuoi spiego)
CITAZIONE
io le ho messo il nome di onda semi sinusoidale dato che il progetto e mio lo possa chiamare come mi pare,e qualcuno questo non la digerisce,perché’ dicono che non esiste .
Sul fatto di inventare un tipo di onda capisci da solo che è inverosimile.
Anche il suono è un onda ed ogni musicista o cantante inventa l'armonia e la composizione, ma l'onda è quella punto!
Quì di seguito la mia realizzazione di uno schema per rappresentare graficamente ed in maniera più comprensibile quello che accade con il circuito che tu hai postato.
Dai Grafici è ben noto che sia l'area di transizione in zona lineare dei mosfet, sia l'arrotondamento dell'onda quadra di switch on/off dei mosfet attraverso il filtro LC composto dall'induttanza dell'avvolgimento di uscita del trasformatore e dal condensatore in parallelo, comportano inevitabilmente delle perdite di energia dissipate in calore, e non perchè lo dico io ma per leggi fisiche ben conosciute.
Master Digit
Immagine Allegata: Inverter On-Off.jpg
Modificato da master digit - 05/07/2016, 13:40:44
--------------- Sono sempre disponibile...quando ci sono!
| | | | cavallino
| Inviato il: 05/07/2016 19:56:49
|
CITAZIONE
Quì di seguito la mia realizzazione di uno schema per rappresentare graficamente ed in maniera più comprensibile quello che accade con il circuito che tu hai postato.
Dai Grafici è ben noto che sia l'area di transizione in zona lineare dei mosfet, sia l'arrotondamento dell'onda quadra di switch on/off dei mosfet attraverso il filtro LC composto dall'induttanza dell'avvolgimento di uscita del trasformatore e dal condensatore in parallelo, comportano inevitabilmente delle perdite di energia dissipate in calore, e non perchè lo dico io ma per leggi fisiche ben conosciute.
E io aggiungo le foto del segnane in uscita del trasformatore di potenza,cosi si possono confrontare fra reale e teoria
Modificato da cavallino - 05/07/2016, 20:02:21
--------------- Ciao a tutti
| | | | cavallino
| Inviato il: 05/07/2016 20:07:03
|
Questa foto mostra il segnale sinusoidale che pilota il gate.
Immagine Allegata: DSCN0033.JPG
--------------- Ciao a tutti
| | | | cavallino
| Inviato il: 05/07/2016 20:09:47
|
Questo e il segnale che troviamo sulla 230 volt con un carico di 500 watt
Immagine Allegata: DSCN0013.JPG
Modificato da cavallino - 05/07/2016, 20:15:23
--------------- Ciao a tutti
| | | | cavallino
| Inviato il: 05/07/2016 20:12:10
|
Questo con un carico di 2000 watt
Immagine Allegata: DSCN0003.JPG
--------------- Ciao a tutti
| | | | cavallino
| Inviato il: 05/07/2016 20:14:41
|
E per ultimo con questo e il segnale sempre sulla 230 volt con un carico da 3500 watt
Immagine Allegata: DSCN0009.JPG
--------------- Ciao a tutti
| | | | cavallino
| Inviato il: 05/07/2016 20:18:56
|
Questo e un segnale più che sufficiente per essere digerito da qualsiasi elettrodomestici e da qualsiasi motore asincrono,con prove e test fatti.
--------------- Ciao a tutti
| | | | master digit
| Inviato il: 06/07/2016 13:31:46
|
La foto del 500W e del 2000W rispecchiano molto bene i grafici teorici meno che per la parte di filtraggio LC (Cond sull'uscita del trasf).
Dai segnali visualizzati in oscilloscopio, abbiamo delle fasi di ON/OFF positivi e ON/OFF negativi troppo ripidi e non smussati agli apici, diverso dall'ultimo grafico da me riportato, che però è sbagliato in quanto lo smussamento degli apici sarebbe bello se fosse così, invece è esattamente contrario, morbido all'inizio salita e ripido alla fine.
Appena ho un attimo riposto il grafico teorico corretto.
Quindi come abbiamo detto questo progetto didattico crea una 220 ON/OFF che per via degli spigoli sugli apici della quadra generano spurie e armoniche che possono danneggiare nel tempo alcuni tipi di apparecchiature con induttanze o condensatori elevati.
Se non credi analizza la sinusoide di ingresso e la forma d'onda in uscita con un analizzatore di spettro audio visto che stiamo parlando di 50Hz (se ti livelli i segnali puoi inserirli nella scheda audio PC ed avviare un programma di analizzatore di spettro audio per esempio) e vedrai che la sinusoide ha un picco solo a 50Hz, mentre la forma di uscita presenterà il 50Hz più tutte le armoniche pari e dispari a salire in frequenza.
Per chi volesse avventurarsi senza un minimo di conoscenza elettronica in questo progetto didattico, consiglio un inverter a onda modificata 24V da 3,5Kw già fatto con protezioni dissipatori e tutto al costo di circa €170,00 sulla baia che all'incirca è il costo per produrre questo se non di meno!
Master Digit
--------------- Sono sempre disponibile...quando ci sono!
| | | | cavallino
| Inviato il: 06/07/2016 18:02:17
|
Difatti io ho messo in evidenza le varie forme di onda del mio inverter creato circa 5 anni fa',con una potenza di 3800 watt a pieno carico il quale rispecchia la grafica da te citata sopra.
CITAZIONE
Se non credi analizza la sinusoide di ingresso e la forma d'onda in uscita con un analizzatore di spettro audio visto che stiamo parlando di 50Hz (se ti livelli i segnali puoi inserirli nella scheda audio PC ed avviare un programma di analizzatore di spettro audio per esempio) e vedrai che la sinusoide ha un picco solo a 50Hz, mentre la forma di uscita presenterà il 50Hz più tutte le armoniche pari e dispari a salire in frequenza.
Purtroppo non dispongo di un analizzatore di spettro,l'unica cosa che ho e un frequenzimetro e un oscilloscopio e un paio di tester,per cui non posso fare tale prova.
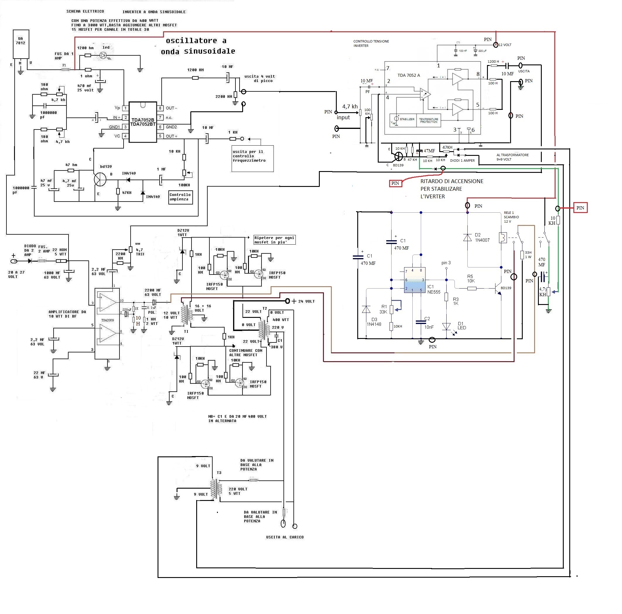
Dato che sei cosi gentile nel rispondere e vedo che sei abbastanza preparato ti voglio inviare lo schema di tale inverter cosi lo puoi analizzare e vedere tutte le sue funzione e protezione,vediamo cosa te ne sembra
Ha questo punto non dico che e perfetto,ma dato che funziona meglio di un inverter a onda quadra,questo lo dico perché prima di fare questo ne avevo fatto uno a onda quadra sempre di tale potenza,però non andava d’accordo con la lavabiancheria ,lavastoviglie.condizionatore e stufa a pellet.
Invece con questo non ho avuto problemi,per come avevo citato sopra lavora che e una meravigli.
In ogni caso se analizzi lo schema e se hai qualche idea per migliorare tale progetto che ben venga,sarebbe una cosa utile per tutti.
Immagine Allegata: schema inverter per antonio.jpg
--------------- Ciao a tutti
| | | | cavallino
| Inviato il: 06/07/2016 18:58:29
|
Per chi volesse avventurarsi senza un minimo di conoscenza elettronica in questo progetto didattico, consiglio un inverter a onda modificata 24V da 3,5Kw già fatto con protezioni dissipatori e tutto al costo di circa €170,00 sulla baia che all'incirca è il costo per produrre questo se non di meno!
Dopo mi dovresti spiegare come fanno a costruire un inverter da 3,5 kwatt effettivi e continuativi a 170 euro,dato che io solo di trasformatore ho speso 400 euro per avere una potenza di 4 kwatt.
--------------- Ciao a tutti
| | | | master digit
| Inviato il: 06/07/2016 23:48:21
|
CITAZIONE (cavallino, 06/07/2016 18:58:29 ) 
Dopo mi dovresti spiegare come fanno a costruire un inverter da 3,5 kwatt effettivi e continuativi a 170 euro,dato che io solo di trasformatore ho speso 400 euro per avere una potenza di 4 kwatt.
Perchè il tuo è in LF (Bassa frequenza, 50Hz), mentre quello è HF switching come i trasformatori dei PC o altro.
Prova a comprare un alimentatore stabilizzato 48V 1000W con trasformatore a 50Hz e uno switching uguale, costa almeno la metà.
Poi ricorda, a Taiwan i componenti che tu usi e compri in Italia, costano circa 20 volte meno, poi metti che tu compri 10 componenti, mentre l'industria ne compra 100.000 e gia se vai su RS components ti rendi conto in Italia dello sconto che avresti.
Poi calcola che un trasformatore da 4Kw non è commerciale, quindi sicuramente te lo sei dovuto far costruire e sicuramente non ne hai ordinati 10.000 ma 1.
Il rapporto è come una mobile fatto su misura da un artigiano falegname ed uno di Ikea, e sono svedesi, pensa a Taiwan
PS:
io di inverter da 3,5Kw da 170 euro ce ne ho 2 in funzione da 2 anni e ce ne ho 3 ad onda sinusoidale pura (reale) stessa potenza in funzione da 1 anno e mezzo.
Se poi li vuoi far durare veramente, cambia tutti gli elettrolitici di grossa capacità e tensione in quanto quelli costano e i taiwan devono battere la concorrenza e mettono condensatori a basso costo, ma per il resto della componentistica di potenza, dentro c'è quello che trovi dentro gli Steca!
Master Digit
Modificato da master digit - 07/07/2016, 00:06:06
--------------- Sono sempre disponibile...quando ci sono!
| |
| | |
|
Versione Mobile!
|
|
|
|
|
|
|
|
|
|
|
|
|
|
|